●東京都公害防止資金貸付け等に関する規則
平成元年五月一日
規則第一二〇号
(東京都公害防止資金貸付け
等に関する規則を廃止する規
則(平成十六年規則第百九十
号)附則第二項の規定により
なお効力を有する。)
東京都公害防止資金貸付け等に関する規則を公布する。
東京都公害防止資金貸付け等に関する規則
(目的)
第一条 この規則は、主として中小企業者及び組合に対し、公害の発生を防止し、快適な環境を確保するために必要な資金(以下「資金」という。)の貸付け及び融資あっせんを行うことにより、都民生活の環境の整備に寄与することを目的とする。
一 公害 東京都公害防止条例(昭和四十四年東京都条例第九十七号)第二条第一項に規定するものをいう。
二 中小企業者 中小企業基本法(昭和三十八年法律第百五十四号)第二条に規定する中小企業者をいう。
三 組合 中小企業団体の組織に関する法律(昭和三十二年法律第百八十五号)第三条第一項第一号、第二号及び第五号から第九号までに規定する中小企業団体をいう。
四 工場等 東京都公害防止条例第二条第二項第一号に規定する工場及び同項第二号に規定する指定作業場並びにこれらに類する施設で公害を発生させるおそれのあるものをいう。
五 設備の改善 公害の発生を防止するために必要な機械、器具、装置若しくは工作物(建物を除く。以下同じ。)の購入、設置、改造若しくは修理又は公害の発生を防止するために必要な作業場等の建物の改築若しくは修理をいう。
六 工場等の移転 公害の発生を防止するために工場等を他の場所に移すことをいう。
七 共同処理施設 公害の発生を共同して防止するために必要な機械、器具、装置又は工作物をいう。
八 共同利用建物 公害の発生を共同して防止するために必要な作業場、事務所等の建物をいう。
九 音響機器等 東京都公害防止条例第六十六条に規定する音響機器等をいう。
十 合併処理浄化槽 浄化槽法(昭和五十八年法律第四十三号)第二条第一号に規定する浄化槽のうち、し尿と併せて雑排水(工場廃水、雨水その他の特殊な排水を除く。)を処理するものをいう。
十一 低公害型生産設備等 業務用の機械、器具及び装置であつて、公害の原因となる物質、騒音、振動等の発生量が低減されたものとして知事が別に定めるところにより認定したものをいう。
十二 排出ガス規制 大気汚染防止法(昭和四十三年法律第九十七号)第十九条第一項の規定に基づき、環境大臣が定める自動車排出ガスの量の許容限度をいう。
十三 車両 道路運送車両法(昭和二十六年法律第百八十五号)第四条の規定による登録を受けた貨物自動車及び乗合自動車をいう。
十四 五十四年排出ガス規制以前の車両 昭和五十三年環境庁告示第五号による改正後の昭和四十九年環境庁告示第一号の排出ガス規制が適用された車両及び昭和五十三年環境庁告示第五号による改正前の昭和四十九年環境庁告示第一号の排出ガス規制が適用された車両並びに排出ガス規制が適用されずに生産された車両をいう。
十五 五十七年排出ガス規制 昭和五十五年環境庁告示第四十一号による改正後の昭和四十九年環境庁告示第一号の排出ガス規制をいう。
十六 五十八年排出ガス規制 昭和五十六年環境庁告示第七十三号による改正後の昭和四十九年環境庁告示第一号の排出ガス規制をいう。
十七 貨物自動車 道路運送車両法施行規則(昭和二十六年運輸省令第七十四号)第二条の普通自動車及び小型自動車のうち、物の運送の用に供するもの(被けん引自動車を除く。)をいう。
十八 乗合自動車 道路運送車両法施行規則第二条の普通自動車及び小型自動車のうち、人の運送の用に供するもの(乗車定員十一人以上のものに限る。)をいう。
十九 窒素酸化物低減型車両 自動車から排出される窒素酸化物の特定地域における総量の削減等に関する特別措置法(平成四年法律第七十号)第十条第一項に規定する特定自動車排出基準に適合して生産された貨物自動車及び乗合自動車をいう。
二十 指定低公害車 東京都公害防止条例第五十二条第三項に規定する低公害車として知事が別に定めるところにより指定する貨物自動車及び乗合自動車をいう。
二十一 基準金利 長期信用銀行法(昭和二十七年法律第百八十七号)第二条に規定する長期信用銀行が募集により現に発行する利付金融債の利率に〇・九パーセントを加えた金利をいう。
(平二規則八九・平四規則一一五・平五規則六七・平六規則一五〇・平一三規則二・一部改正)
資金の種類 | 貸付けの対象 |
設備改善資金 設備の改善及びこれに必要な土地の所有権等の取得に要する資金をいう。 | 中小企業者(これと同程度の学校法人、公益法人等を含む。以下同じ。)又は組合であつて、原則として、都内に引き続き一年以上工場等を設置しているもの |
移転資金 工場等の移転に必要な作業場等の建物の建築(購入及び借受けを含む。)及び機械、器具、装置又は工作物の移設並びにその移転に必要な設備の改善並びにこれらに伴って必要な土地の所有権等の取得に要する資金をいう。 | |
共同施設資金 共同処理施設の購入、設置、改造又は修理(以下「共同処理施設の設置」という。)及び共同利用建物の建築、購入又は借受け(以下「共同利用建物の設置」という。)に要する資金並びにこれらに必要な土地の所有権等の取得に要する資金をいう。 | 組合又は資金の借受けを申し込む二人以上の中小企業者(以下「組合等」という。)であって、その構成員が、原則として、都内に引き続き一年以上工場等を設置しているもの |
音響機器等防音工事資金 音響機器等の使用に伴う防音工事に要する資金をいう。 | 中小企業者であって、食品衛生法(昭和二十二年法律第二百三十三号)第二十一条第一項の許可を受け、食品衛生法施行令(昭和二十八年政令第二百二十九号)第五条第一号に規定する飲食店営業又は同条第二号に規定する喫茶店営業を営み、かつ、音響機器等を設置しているもの |
合併処理浄化槽設置資金 合併処理浄化槽の設置に要する資金をいう。 | 中小企業者であって、別に知事が定める地域において、処理対象人員が五人以上二百人以下で、かつ、知事が別に定める構造又は性能を有する合併処理浄化槽を設置するもの(居住を目的とした住宅及び主に居住を目的とした住宅で小規模店舗等を併設した住宅に処理対象人員が五人以上五十人以下の合併処理浄化槽を設置するものを除く。) |
低公害型生産設備等設置資金 業務用の機械、器具及び装置の低公害型生産設備等への更新に要する資金をいう。 | 中小企業者であって、現に業務用に使用しているボイラー等の燃焼機器を、低公害型生産設備等である燃焼機器に更新するもの |
工場・事業所等緑化資金 工場、事業所等の緑化に要する資金をいう。 | 中小企業者であって、敷地面積がおおむね千平方メートル以上の工場、事業所等に知事が定めるところにより緑化事業を行うもの |
窒素酸化物低減型車両への買換え資金 五十四年排出ガス規制以前の車両、五十七年排出ガス規制に適合する車両及び五十八年排出ガス規制に適合する車両の窒素酸化物低減型車両(指定低公害車を除く。以下この条、次条及び第十二条において同じ。)への買換え並びに指定低公害車の購入に要する資金をいう。 | 一 中小企業者であって、自動車から排出される窒素酸化物の特定地域における総量の削減等に関する特別措置法第十条第一項に規定する現に使用中の特定自動車(ディーゼル車に限る。)を廃車し、同法第十一条第一項の規定による経過措置により同法第十条第一項に定める特定自動車排出基準が適用される日の属する年度の前の年度までに、車両総重量が同等程度の窒素酸化物低減型車両に買い換えるもの。ただし、買換えにより適用される特定自動車排出基準の許容限度が現に使用中の車両に係る窒素酸化物排出ガス規制の許容限度を超える特定自動車に買い換える場合は、この限りでない。 二 中小企業者であって、自動車から排出される窒素酸化物の特定地域における総量の削減等に関する特別措置法施行令(平成四年政令第三百六十五号)第三条に規定する現に使用中の指定自動車のうち特定自動車に該当しない自動車(ディーゼル車に限る。)を廃車し、車両総重量が同等程度の窒素酸化物低減型車両に買い換えるもの。ただし、買換えの期日及び窒素酸化物の排出量の許容限度について、前号の規定の例による場合に限る。 三 指定低公害車を購入する中小企業者 |
(平二規則八九・平四規則一一五・平五規則六七・平六規則一五〇・一部改正)
(貸付けを受けることができる者の資格)
第四条 資金の貸付けを受けることができる者は、次に掲げる要件を備えていなければならない。
一 都内に住所(法人の場合は、主たる事務所)を有し、かつ、原則として都内の同一場所において同一事業を引き続き一年以上営んでいること。ただし、合併処理浄化槽設置資金の貸付けを受けようとする者で、知事が特に認める場合は、この限りでない。
二 事業税及び都民税(特別区民税及び市町村民税を含む。)を滞納していないこと。
三 自己資金のみでは、設備の改善、工場等の移転、共同処理施設の設置、共同利用建物の設置、音響機器等の防音工事、合併処理浄化槽の設置、低公害型生産設備等の設置、工場、事業所等の緑化、窒素酸化物低減型車両への買換え又は指定低公害車の購入(以下「設備の改善等」という。)を行うことが困難であること。
四 確実な抵当物件又は原則として都内に住所を有し、かつ、債務の保証について十分な資産若しくは所得を有する一人以上の連帯保証人を有すること。
五 貸付けを受けた資金の償還及び利子の支払について十分な支払能力を有すること。
(平四規則一一五・平六規則一五〇・一部改正)
資金の種類 | 貸付限度額 | |
設備改善資金 | 七百万円 | |
移転資金 | 三千万円 | |
共同施設資金 | 共同処理施設の設置に係るもの | 千五百万円 |
共同利用建物の設置に係るもの | 千万円 | |
音響機器等防音工事資金 | 七百万円 | |
合併処理浄化槽設置資金 | 千万円 | |
低公害型生産設備等設置資金 | 千万円 | |
工場・事業所等緑化資金 | 千万円 | |
窒素酸化物低減型車両への買換え資金 | 千万円 | |
(平四規則一一五・一部改正)
(貸付けの申込み)
第六条 資金の貸付けを受けようとする者は、別記第一号様式による公害防止資金借入申込書に次に掲げる書類を添えて、知事に提出しなければならない。
二 資金の貸付けを受けようとする設備の改善等の経費の見積書
三 前年度の事業収支決算書
四 資金の貸付けを受けようとする者が組合等である場合は、定款、登記簿謄本及び施設設備等の設置若しくは変更に関する総会若しくは総代会の議事録の謄本又はこれらに代わる書類
五 設備改善資金及び共同施設資金の貸付けを申し込む場合は、設備(公害の発生を防止するために必要な機械、器具、装置、工作物等をいう。)又は共同処理施設の仕様書及び設計図、建物及び機械設備の配置図(変更する場合にあっては、変更後のもの)並びに東京都公害防止条例施行規則(昭和四十五年東京都規則第十七号)第八条第二項の工場設置(変更)認可書の写し又は同規則第二十五条の指定作業場設置(変更)届出書の写し
七 移転資金の貸付けを申し込む場合において、移転先の土地の所有権等の取得に係る資金の貸付けを申し込むとき、並びに設備改善資金及び共同施設資金の貸付けを申し込む場合において、設備の改善等に伴い新たに土地を必要とするため当該必要とする土地の所有権等の取得に係る資金の貸付けを申し込むときは、当該土地の所有権等の取得の予約を証明する書類で取得金額が明らかなもの
八 音響機器等防音工事資金の貸付けを申し込む場合は、設備の改善に係る仕様書及び設計図、営業所建物及び音響機器等の配置図(営業所の改装をする場合にあっては、改装後のもの)並びに食品衛生法第二十一条の規定に基づく営業許可証の写し及び風俗営業等の規制及び業務の適正化等に関する法律(昭和二十三年法律第百二十二号)第三条の規定に基づく営業許可証の写し又は同法第三十三条の規定に基づく営業届出書の写し
九 合併処理浄化槽設置資金の貸付けを申し込む場合は、合併処理浄化槽の仕様書及び設計図、建物及び合併処理浄化槽の配置図(変更する場合にあっては、変更後のもの)、建築基準法第六条第三項の規定による確認の通知書の写し又は浄化槽法第五条第二項及び第三項の規定による審査期間を経過した浄化槽設置届出書の写し並びに食品衛生法第二十一条の規定に基づく営業許可証の写し(同条の規定に基づく営業許可を必要としない者の場合を除く。)
十 低公害型生産設備等設置資金の貸付けを申し込む場合は、現に業務用に使用しているボイラー等の燃焼機器の仕様書又は設計図(カタログ等を含む。)若しくは写真、更新する低公害型生産設備等である燃焼機器(以下「更新機器」という。)の仕様書又は設計図(カタログ等を含む。)及び更新機器の設置予定場所配置図(変更する場合にあっては、変更後のもの)
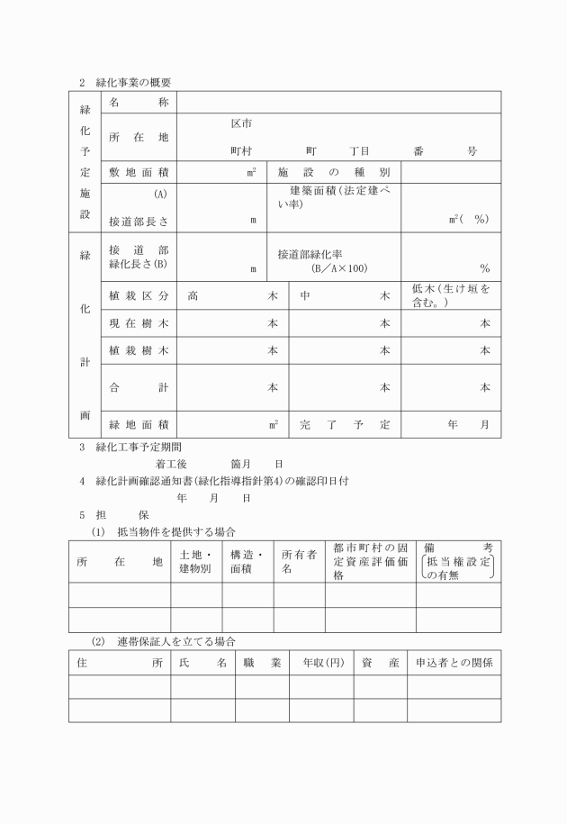
十一 工場・事業所等緑化資金の貸付けを申し込む場合は、緑化指導指針(昭和六十年十二年十八日六十環自緑第四百五十九号環境保全局長決定)第四に規定する緑化計画書(案内図、緑化計画平面図、緑化計画断面図、植栽樹木一覧表及び緑地面積等計算書が添付されたもの)
十二 窒素酸化物低減型車両への買換え資金の貸付けを申し込む場合は、買い換えられる五十四年排出ガス規制以前の車両、五十七年排出ガス規制に適合する車両又は五十八年排出ガス規制に適合する車両の自動車検査証(道路運送車両法第六十条の自動車検査証をいう。以下同じ。)の写し(指定低公害車を購入する場合を除く。)及び買い換える窒素酸化物低減型車両のカタログ等
十三 前各号に掲げるもののほか、知事が必要と認めた書類
(平四規則一一五・平六規則一五〇・一部改正)
(貸付けの決定及び通知)
第七条 知事は、前条の規定による公害防止資金借入申込書を受理したときは、その内容を調査して、資金の貸付けの可否を決定する。
一 貸付決定を受けた者の印鑑証明書
二 抵当権を設定する場合は、抵当物件の所有者の印鑑証明書並びに当該抵当物件の登記簿謄本及び固定資産評価価格を証明する書類
三 連帯保証人を立てる場合は、連帯保証人の印鑑証明書及び資産又は所得を確認するために知事が必要と認めた書類
(着手及び完了の時期)
第九条 貸付決定を受けた者は、速やかに設備の改善等に着手し、かつ、貸付決定書に定める期限までに設備の改善等を完了しなければならない。
2 貸付決定を受けた者は、前項の期限までに設備の改善等を完了することができないときは、あらかじめ知事に届け出て、その承認を受けなければならない。
一 法令の定めるところにより、許可、認可、確認等の手続を必要とする設備の改善等にあっては、当該許可書、認可書、確認通知書等の写し
二 工事請負契約書等の写し又は知事が必要と認めた書類
一 建物の建築に係るものについては、その建築工事が主要構造体の組立てまで完了したとき。
二 施設の設置に係るものについては、その設置に要する全工程のおおむね二分の一以上の工程に達したとき。
3 知事は、第一項に定める場合のほか、貸付対象となった設備の改善等について、必要があると認めるときは、中間検査を行うことができる。
(貸付決定の取消し)
第十一条 知事は、貸付決定を受けた者が次の各号のいずれかに該当する場合には、資金の貸付決定を取り消すことができる。
一 偽りの申込みによって貸付決定を受けたことが判明したとき。
二 貸付決定書に定める期日までに第八条の規定による承諾書を提出しなかったとき。
三 正当な理由がなくて設備の改善等の着手が遅延し、又は完了の見込みがないと認められるとき。
四 租税その他の公課を滞納したとき。
五 他の債務につき強制執行、仮差押え若しくは仮処分を受け、又は競売の申立てを受けたとき。
六 破産、和議、会社整理若しくは会社更生の申立てを受け、又は自らこれらの申立てをしたとき。
七 会社又は組合が解散したとき。
八 事業を廃止し、又は貸付けに係る工場等を閉鎖したとき。
九 手形交換所から不渡処分を受けたとき。
十 前各号に掲げる場合のほか、知事の指示に違反したとき。
一 工場等の移転の場合は、東京都公害防止条例第三十条(同条例第五十一条第一項において準用する場合を含む。)の規定に基づく廃止届の写し
二 窒素酸化物低減型車両への買換えの場合は、買い換えられる旧車両に係る道路運送車両法第十五条第一項に規定する抹消登録申請書の写し及び買い換えた窒素酸化物低減型車両に係る自動車検査証の写し
三 指定低公害車の購入の場合は、購入した指定低公害車に係る自動車検査証の写し
四 前三号に掲げるもののほか、知事が必要と認めた書類
2 窒素酸化物低減型車両への買換え資金の貸付決定を受けた者で、前項第二号に規定する書類を提出したものについては、書類審査をもって知事の検査とすることができる。
(平四規則一一五・平六規則一五〇・一部改正)
(貸付金の交付時期)
第十三条 前条の規定による検査が終了した場合は、知事は、速やかに、貸付金の全額を交付する。
(契約の締結)
第十四条 貸付決定を受けた者は、前条の規定による貸付金の交付を受ける際、都と公正証書による金銭消費貸借契約を締結しなければならない。
(貸付金の利率)
第十五条 貸付金の利率は、年三パーセント(共同施設資金にあっては、年一パーセント)とする。ただし、貸付けの申し込み時の基準金利が年七パーセントを超えた場合は、当該金利から四パーセント(共同施設資金にあっては、六パーセント)を減じた利率とする。
2 据置期間中は、無利子とする。
3 知事は、工場等の集団化を行う企業に移転資金を貸し付ける場合並びにおおむね常時使用する従業員の数が十人以下の企業に設備改善資金、移転資金(工場等の集団化に係るものを除く。)、合併処理浄化槽設置資金、低公害型生産設備等設置資金及び工場・事業所等緑化資金を貸し付ける場合は、第一項に定める貸付金の利率を低減することができる。
(平二規則八九・平三規則一二三・平四規則一一五・平六規則一五〇・一部改正)
(償還期間等)
第十六条 貸付金の償還期間は、次に掲げる期間の範囲内で知事が定めるものとし、その償還方法は、据置期間経過後、それぞれ半年賦元金均等償還の方法とする。ただし、いつでも繰上償還をすることができる。
一 設備改善資金、音響機器等防音工事資金、合併処理浄化槽設置資金、低公害型生産設備等設置資金、工場・事業所等緑化資金及び窒素酸化物低減型車両への買換え資金に係る貸付金 据置期間経過後七年
二 移転資金に係る貸付金
イ 貸付額が千万円以下の場合 据置期間経過後七年
ロ 貸付額が千万円を超える場合 据置期間経過後十年
三 共同施設資金に係る貸付金 据置期間経過後十五年
2 据置期間は、貸し付けた日の属する月の翌月から一年とする。
3 利子の支払方法は、第一項の規定による貸付金の償還の都度、現在債務額に対する既経過半年分を支払う方法とする。
(平四規則一一五・一部改正)
(損害保険)
第十八条 資金の貸付けを受けた者(以下「借受人」という。)は、設備の改善等を行った後、直ちに貸付けの対象となった機械、器具、装置、工作物、作業場等の建物又は車両(以下「貸付対象物件」という。)について、資金の償還完了に至るまでの間、継続して債務相当額以上の損害保険(火災保険又は自動車保険)を付け、かつ、債務の履行を担保するため保険金請求権について質権を設定しなければならない。ただし、知事が特に必要がないと認めた場合は、この限りでない。
(担保)
第十九条 借受人は、貸付金により取得した不動産について、都に対し抵当権を設定しなければならない。
2 知事は、第十三条第二項の規定により貸付金の分割交付を受けた者が都に対してその貸付金により取得した不動産について抵当権を設定し、かつ、当該抵当権により当該貸付金に係る債権の確保が十分と認められる場合は、当該分割交付を受けた者が当該抵当権の設定前に都に対して設定した当該不動産以外の物件についての抵当権を放棄するものとする。
3 借受人は、知事が特に必要と認めた場合は、貸付金により取得した車両について、都に対し自動車抵当法(昭和二十六年法律第百八十七号)による抵当権を設定しなければならない。
(有効使用)
第二十条 借受人は、貸付対象物件を、適正な維持管理のもとに有効に使用しなければならない。
(承認)
第二十一条 借受人は、貸付金の償還完了に至るまでの間、次の各号のいずれかに該当するときは、あらかじめ、知事の承認を受けなければならない。
一 貸付対象物件を譲渡し、交換し、又は貸与しようとするとき。
二 貸付対象物件を担保に供しようとするとき。
三 貸付対象物件の使用を中止しようとするとき。
四 貸付対象物件の設置場所を変更しようとするとき。
五 貸付対象物件の構造を変更しようとするとき。
六 車両について、道路運送車両法第十二条の規定により登録番号を変更しようとするとき、又は同法第十五条若しくは第十六条の規定により抹消登録の申請をしようとするとき。
2 借受人は、この規則による貸付金の償還を担保するために提供した抵当物件(自動車抵当法により車両に抵当権を設定した場合を含む。以下「抵当物件」という。)が滅失したとき、又はき損その他の事由によってその価値が減じ十分な担保価値を欠いたときは、新たに担保を提供し、又は増担保を提供して、知事の承認を受けなければならない。抵当物件を譲渡するときも、同様とする。
3 借受人は、この規則による貸付金の償還を担保するために立てた連帯保証人(以下「連帯保証人」という。)がその資格を失ったときは、新たに連帯保証人を立て、知事の承認を受けなければならない。
一 貸付対象物件又は抵当物件について、盗難、火災その他重大な事故が生じたとき。
二 貸付対象物件以外の借受人の資産が地震、水災、火災その他の災害を被り、資金の償還が困難となったとき。
三 借受人、抵当物件の提供者又は連帯保証人の住所、氏名(会社及び組合にあっては、名称及び代表者の氏名)、業務及び勤務先の変更その他重要な異動が生じたとき。
一 貸付金を貸付けの目的以外の目的に使用したとき。
二 正当な理由がなくて、割賦金の償還又は利子の支払を怠ったとき。
三 第二十条の規定に著しく違反したとき。
四 第二十一条の規定に違反したとき。
五 前各号に掲げる場合のほか、知事の指示に違反したとき。
(償還期間等の特例)
第二十四条 知事は、災害その他の理由により借受人が第十六条の規定による償還期間等による貸付金の償還又は利子の支払を行うことが著しく困難となり、特に必要があると認めたときは、貸付金の償還期間若しくは償還方法又は利子の支払方法を変更するものとする。
2 知事は、前項の規定による資金の融資あっせんにより融資を受けた者(以下「融資を受けた者」という。)で、別に知事が定める利子補給金及び信用保証料補助金の交付の条件を満たしているものに対しては、申請に基づき、当該融資に係る利子額のうち年利四パーセント相当額以内(共同施設資金の融資を受けた場合にあっては、年利六パーセント相当額以内)の利子額を補給し、及び当該融資に係る信用保証料の三分の二相当額を補助するものとする。
3 融資を受けた者(移転資金(工場等の集団化に係るものを除く。)、共同施設資金、音響機器等防音工事資金及び窒素酸化物低減型車両への買換え資金の融資を受けた者を除く。)に係る利子補給の額は、当該融資を受けた者が移転資金により工場等の集団化を行うとき、又は当該融資を受けた者のおおむね常時使用する従業員の数が十人以下であるときは、前項に定める額を超えることができる。
(平四規則一一五・一部改正)
附則
1 この規則は、公布の日から施行する。
2 この規則の施行の際、現にこの規則による改正前の東京都公害防止資金貸付け等に関する規則の規定により、貸付けを決定した資金の貸付け並びに融資をあっせんした資金に係る利子補給の額及び信用保証料補助の額については、なお従前の例による。
附則(平成二年規則第八九号)
1 この規則は、公布の日から施行する。
2 この規則の施行の際、現にこの規則による改正前の東京都公害防止資金貸付け等に関する規則の規定により、貸付けを決定した資金の貸付け並びに融資をあっせんした資金に係る利子補給の額及び信用保証料補助の額については、なお従前の例による。
附則(平成三年規則第一二三号)
1 この規則は、公布の日から施行する。
2 この規則の施行の際、現にこの規則による改正前の東京都公害防止資金貸付け等に関する規則の規定により、貸付けを決定した資金の貸付け並びに融資をあっせんした資金に係る利子補給の額及び信用保証料補助の額については、なお従前の例による。
附則(平成三年規則第一八七号)
1 この規則は、公布の日から施行する。
2 この規則の施行の際、この規則による改正前の東京都公害防止資金貸付け等に関する規則別記第三号様式(一)から第四号様式までによる用紙で、現に残存するものは、所要の修正を加え、なお使用することができる。
附則(平成四年規則第一一五号)
1 この規則は、公布の日から施行する。
2 この規則の施行の際、現にこの規則による改正前の東京都公害防止資金貸付け等に関する規則の規定により、貸付けを決定した資金の貸付け並びに融資をあっせんした資金に係る利子補給の額及び信用保証料補助の額については、なお従前の例による。
附則(平成五年規則第六七号)
1 この規則は、平成五年五月一日から施行する。
2 この規則の施行の際、現にこの規則による改正前の東京都公害防止資金貸付け等に関する規則の規定により、貸付けを決定した資金の貸付け並びに融資をあっせんした資金に係る利子補給の額及び信用保証料補助の額については、なお従前の例による。
附則(平成六年規則第一五〇号)
この規則は、公布の日から施行する。
附則(平成一三年規則第二号)
この規則は、平成十三年一月六日から施行する。
別記






(平2規則89・平4規則115・平5規則67・一部改正)




(平3規則187・一部改正)



(平3規則187・一部改正)



(平3規則187・一部改正)




――――――――――
○東京都公害防止資金貸付け等に関する規則を廃止する規則
平成一六年四月二日
規則第一九〇号
東京都公害防止資金貸付け等に関する規則(平成元年東京都規則第百二十号)は、廃止する。
附則
1 この規則は、公布の日から施行する。
2 この規則の施行の際、現にこの規則による廃止前の東京都公害防止資金貸付け等に関する規則(以下「旧規則」という。)に基づき貸付け又は融資あっせんによる融資を受けている資金については、旧規則の規定は、なお効力を有する。